Jan. 23, 2026
等離子體是不同于固體、液體和氣體的物質第四態,即部分電離化的氣體,其呈現出高度激發的不穩定態,等離子體由離子、電子和未電離的中性粒子組成,在整體上呈電中性。
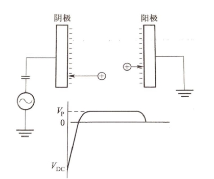
如圖1所示為平行板電極等離子體輝光放電系統的示意圖。射頻電源通過電容耦合輸入陰極端,陽極端接地。陰極和陽極之間產生射頻電場,在射頻作用下,空間中初始的自由電子被加速并與氣體原子碰撞,使其電離,從而產生了“雪崩效應”,空間中的離子越來越多,隨著大量氣體分子的電離,氣體從絕緣態變為導電態,有電流通過,并在陰極與陽極間形成電場。然而自由電子會與氣體離子碰撞復合,最終達到電離-復合平衡態,從而在空間內形成等離子體。當氣體離子恢復到原子狀態時,會以光子形式釋放能量并產生輝光。因此,這個過程也被稱為輝光放電(glowdischarge)過程。

圖1 平板電極輝光電極放電系統示意圖
在等離子體空間,離子與電子數目相同,因此是等電位區。但在陰極和陽極周圍,由于電子質量輕且運動速度快,電子先抵達電極表面并形成負電荷積累。在陰極和陽極表面均形成了一個負電場。由于陰極未接地,陰極表面電子積累形成的負電場電荷較高,因此陰極表面的負電場能夠對離子加速,從而對電極表面產生轟擊。如果將待刻蝕樣品放置于陰極表面,則樣品將受到強烈的離子轟擊作用,從而對樣品產生刻蝕作用;而當樣品放置于陽極表面時,樣品在氧等離子體的作用下發生反應但不存在任何離子轟擊效應,主要為化學作用,因此,陽極表面附近的反應較為溫和,對樣品的損傷較小。
盡管等離子體作用過程十分復雜,但陽極表面附近的等離子體作用可以分為同時發生的三個反應過程,如圖2所示。

圖2 陽極表面附近的等離子體反應示意圖
(1) 離子反應:等離子體中的活性離子直接與樣品表面原子進行反應,并生成揮發性產物被真空系統排出。
(2) 產生自由基:樣品表面吸附的化學活性分子被人射離子分解成為自由基。
(3) 自由基反應:(2)反應產生的自由基可在樣品表面遷移,并與樣品表面原子反應生成揮發性產物被真空系統排出。
Jan. 24, 2026
Jan. 23, 2026
Jan. 23, 2026
Jan. 21, 2026
Copyright@ 2024深圳納恩科技有限公司 All Rights Reserved|
Sitemap
| Powered by
| 粵ICP備2022035280號www.wujidianzi.net.cn | 備案號:粵ICP備2022035280號www.wujidianzi.net.cn